
EndPMC1000手自一体金相切割机系列高性能台式手自一体全自动切割机,采用模块化设计理念,集先进的机械结构、控制技术和精密切割技术于一体,拥有优秀的可视性和极佳的灵活性,动力强,切割效率高。8英寸彩色触摸屏加三轴操纵杆助用户轻松实现对机器的操作。该机器适用于切割各种黑色金属、有色金属、热处理件、锻件、半导体、晶体、陶瓷、和岩石等样品。设备配有多种夹具,可切割不规则形状的工件,是企业和科研院校理想的切割设备。
产品特点
1.标配高扭矩大功率伺服电机及无级变速控制系统,动力强,效率高
2.智能进给,自动监控切割力大小,切割遇阻,自动降低进给速度,阻力解除,可自动恢复至设定速度
3.手动进给,垂直进给,水平进给,直线进给,脉冲进给等多种切割方式可选(视机型有所不同)
4.8寸彩色高清触摸屏,操作直观,简单易用
5.三轴工业操纵杆,快速、慢速和微调三级速度控制,轻松操作
6.施耐德电器,低压控制,安全可靠
7.标配电子刹车,安全可靠
8.内置高亮度长寿命LED照明灯,方便观察
9.静电喷涂高强度铝合金铸造底座,机身稳定,永不生锈
10.304不锈钢和铝合金T型槽工作台,耐腐蚀,易更换夹具;另有多种夹具可选,扩展切割能力
11.304不锈钢快速夹具,操作便捷,耐腐蚀,寿命长
12.静电喷涂304不锈钢外壳,耐腐蚀,寿命长
13.高强度整体成型复合材料切割室,永不生锈
14.移动式大容量塑料循环水箱,便于清理
15.高效循环冷却系统,降低样品烧伤风险
16.独立高压冲洗系统,方便清洗切割室
17.自动/手动切片功能,方便将样品切割成不同厚度的切片(选配)
18.激光辅助定位功能(选配)

不锈钢快速夹具


万能垂直夹具(选配)


带铰链垂直夹具(选配)

塑料循环冷却水箱(标配)

强磁过滤塑料循环冷却水箱(选配)

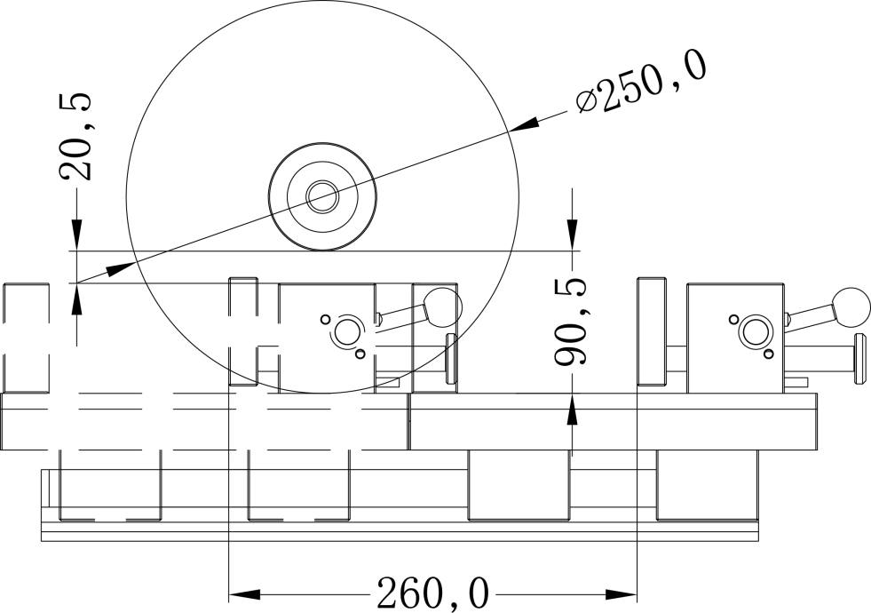
EndPMC1000A最大切割直径

EndPMC1000B切割过程

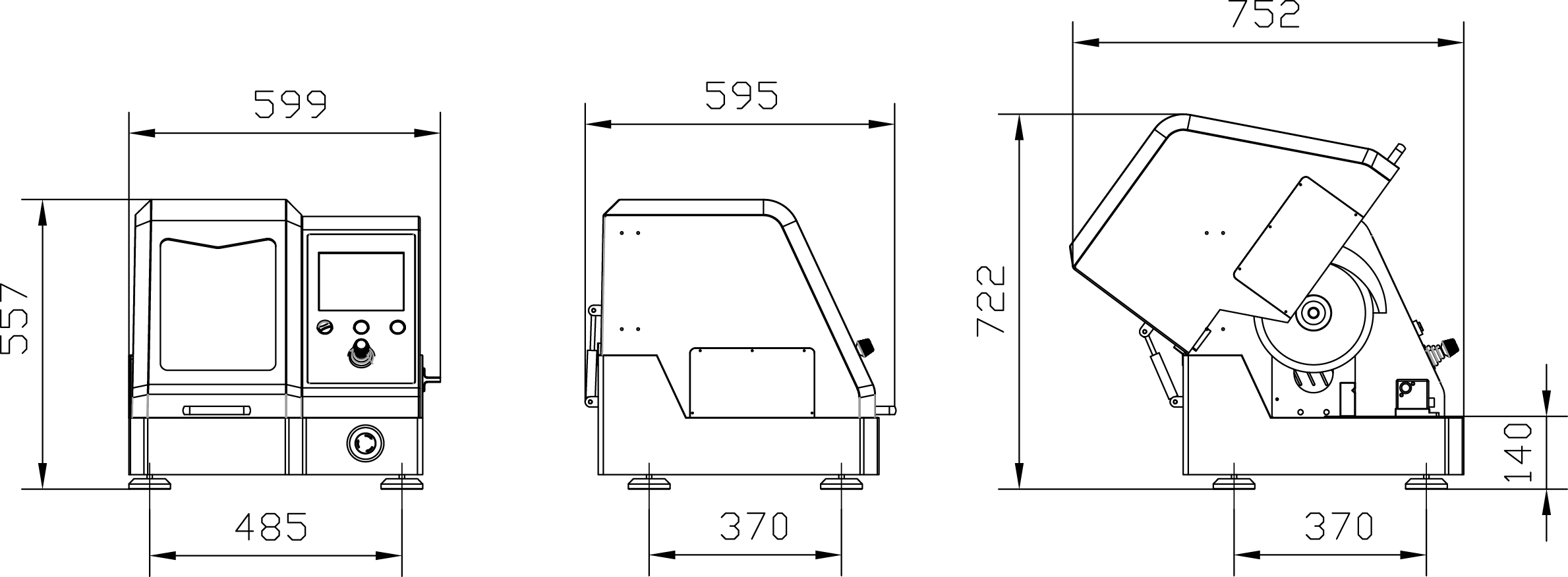
EndPMC1000B外观尺寸示意图

EndPMC1000C切割过程

EndPMC1000C立式外观尺寸示意图


EndPMC1000台式外形图


EndPMC1000立式外形图
产品名称 | EndPMC1000-A | EndPMC1000-B | EndPMC1000-C |
切割片(mm) | 200*12.7*0.8 | 250*32*1.5 | 300*32*1.8 |
主轴转速(rpm) | 500-3000 | ||
工作台尺寸(WxD,mm) | 235*220 | 235*220 | 350*260 |
X向行程 | 40mm | 60 | 80 |
冷却方式 | 外置塑料循环水箱 | ||
功率 | 1.2KW | 2.2 KW | 3.0 KW |
电源 | 单相220V | ||
附件 | |||
刚玉切割片 | 标配 | 标配 | 标配 |
304不锈钢快速夹具 | 标配 | 标配 | 标配 |
塑料冷却水箱 | 标配 | 标配 | 标配 |
切削液 | 标配 | 标配 | 标配 |
排气系统 | 选配 | 选配 | 选配 |
金刚石切割片 | 选配 | 选配 | 选配 |
碳化硅切割片 | 选配 | 选配 | 选配 |
垂直夹具 | 选配 | 选配 | 选配 |
激光定位 | 选配 | 选配 | 选配 |
强磁过滤水箱 | 选配 | 选配 | 选配 |
立式工作桌 | 选配 | 选配 | 选配 |
XYZ三轴工作选择 | |||
Y向进给 | 自动 | ||
Z向进给 | 自动 | 自动 | --- |
X向进给 | 自动 | ○手动 | ○手动 ○自动 |
切割方式 | 垂直,直线,脉冲 | 垂直,直线,脉冲 | 直线,脉冲 |